Відцентровий вентилятор одностороннього всмоктування з вбудованим двигуном із зовнішнім ротором крильчаткою.
Виробник: Продукція фірми BAHCHIVAN (Туреччина)
Модель: B.D.R.S. 140-60

Матеріал:
равликовий корпус виготовлений з листової сталі пофарбований стійкою епоксидно-поліефірної фарбою, робоче колесо з загнутими вперед лопатками виготовлено з оцинкованої сталі.
Клас захисту: IP 45
Технічні характеристики вентиляторів Bahchivan

Двигун: асинхронний на що не обслуговуються кулькових підшипниках тривалого ресурсу роботи.
Вентилятори равлик серії B.D.R.S. ідеальні для використання в промислових і комерційних будівлях, як правило, для охолодження і вентиляції опалювальних систем, на піддув котла, в невеликих майстернях. Використовується як для відтоку повітря, так і для нагнітання. Для охолодження вузлів, агрегатів, двигунів.
Технічні характеристики
|
Модель |
V |
W |
м3/год |
об/хв |
Тиск Ра |
шум dB |
|
B.D.R.S. 125-50 |
220 |
85 |
250 |
2450 |
250 |
60 |
|
B.D.R.S. 120-60 |
220 |
90 |
285 |
2441 |
300 |
62 |
|
B.D.R.S. 140-60 |
220 |
140 |
485 |
2215 |
400 |
65 |
|
B.D.R.S. 160-60 |
220 |
200 |
600 |
2200 |
550 |
70 |
|
AOBR 180-80 |
220 |
575 |
1200 |
2780 |
800 |
75 |

|
Модель |
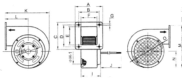
A |
B |
C |
D |
E |
F |
G |
H |
I |
K |
L |
M |
N |
O |
|
B.D.R.S. 125-50 |
89 |
78 |
87 |
72 |
60 |
62 |
5 |
100 |
95 |
173 |
94 |
200 |
83 |
140 |
|
B.D.R.S. 120-60 |
115 |
99 |
100 |
70 |
65 |
81 |
6 |
100 |
95 |
173 |
94 |
200 |
83 |
140 |
|
B.D.R.S. 140-60 |
130 |
112 |
130 |
112 |
92 |
83 |
6 |
128 |
100 |
220 |
120 |
235 |
100 |
155 |
|
B.D.R.S. 160-60 |
130 |
112 |
130 |
112 |
92 |
83 |
6 |
130 |
100 |
270 |
140 |
270 |
120 |
175 |
|
AOBR 180-80 |
145 |
124 |
160 |
139 |
117 |
102 |
7 |
140 |
180 |
285 |
140 |
315 |
130 |
185 |
| Основні | |
|---|---|
| Виробник | Bahcivan Motor |
| Країна виробник | Туреччина |
| Користувальницькі характеристики | |
| Тип комплектующего | Вентилятор |
| Призначення комплектуючого | Для твердопаливних котлів |
- Ціна: 2 700 ₴







